Cómo sustituir el fuelle de un Saildrive Volvo Penta: HAZLO TÚ MISMO
Qué necesitarás:
- Herramientas básicas: Juego de llaves de vaso, destornilladores, juego de llaves Allen.
- Materiales: Loctite, kit de fuelles Saildrive (OEM o recambio de alta calidad).
- Soporte: Tacos de madera, un gato u otro soporte para debajo del motor.
Guía de bricolaje paso a paso para sustituir un motor Saildrive Volvo Penta Fuelle

Vacía el aceite del Saildrive.
Desenrosca la varilla situada en la parte superior del Saildrive para que el aceite salga más rápidamente.
Evalúa si el Saildrive puede desmontarse con el eje inferior intacto.
Si no es así:
Saca el eje de la carcasa retirando primero el ánodo.
A continuación, desenrosca los dos tornillos de cabeza cilíndrica del alojamiento del cojinete.
Golpea suavemente el alojamiento del cojinete hacia delante y hacia atrás para crear algo de espacio.
Utiliza un destornillador para hacer palanca con cuidado, sin forzar demasiado.

Desconecta el tubo de escape y déjalo a un lado. Haz lo mismo con otros cables y mangueras que puedan obstruir la extracción del Saildrive.
Comprueba si tus cables son lo suficientemente largos como para permitir que el motor avance unos centímetros.
Si no es así:
Desconecta los cables o mangueras que sean demasiado cortos para proporcionar la holgura necesaria.

Para orientarte, consulta los esquemas suministrados: uno para el MS25, 130S, 150S, y otro para el 120S, 110S.

Desconecta los cables del cambio y la manguera del agua de refrigeración como se muestra en las imágenes para tu modelo específico de Saildrive.

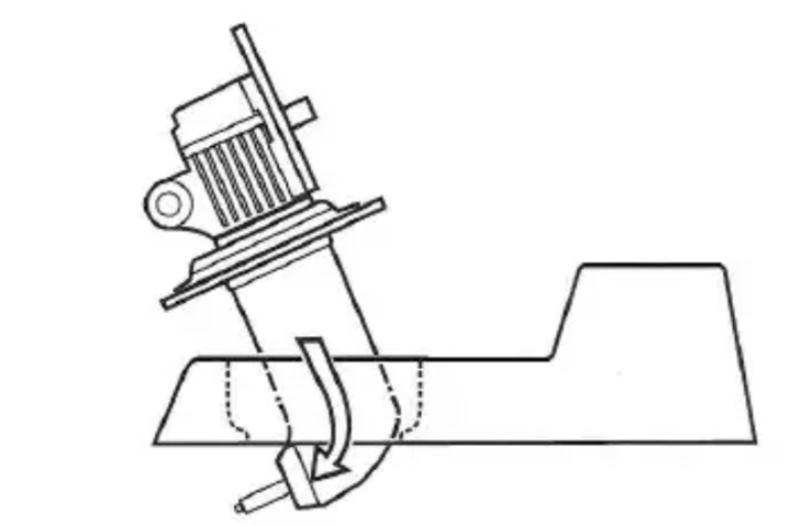
Afloja los soportes del motor y desatornilla el Saildrive.
Por experiencia, lo mejor es quitar primero los pernos que sujetan el Saildrive al motor, dejando los pernos de la brida (que sujetan el Saildrive a su bancada) en su sitio para mayor estabilidad durante los pasos iniciales.

Apoya el motor con tacos de madera, un gato u otro material de relleno para proporcionar un punto de apoyo estable.
Adelanta el motor todo lo que puedas. Cuanto más espacio crees, más fácil será el resto del proceso.

Ahora, desenrosca los tornillos que se indicaron en el Paso 4. Una vez retirados, puedes levantar el Saildrive hacia arriba. Es más fácil hacerlo con dos personas para garantizar una manipulación adecuada y la seguridad.

¡Suelta los tornillos!

Paso 8A:
Para el 110S y el 120S-A:
Una vez retirados los tornillos de la pieza de cola, puedes retirar la sección de cola. En este punto, también puedes retirar el fuelle.
Ten cuidado de no perder los tres calzos.
Limpia bien la superficie para la junta y el fuelle.
Montaje:
Instala la junta como estaba originalmente, sin invertirla.
Utiliza Permatex al instalar la junta.
Monta el fuelle con el código del año orientado hacia la junta del Saildrive.

Paso 8B:
Para los modelos 120S-B, 120S-C, 120S-D y MS25:
Después de retirar el tubo de escape, desenrosca los dos tornillos Allen y retira la placa intermedia.
Toma nota de cómo se desmonta todo, ya que debe volver a montarse exactamente igual con los nuevos materiales del kit.
Limpia bien la superficie para la junta y el fuelle.
Instala la junta como estaba originalmente, sin invertirla.
No utilices Permatex ni productos similares.
Monta el fuelle con el código del año orientado hacia la junta del Saildrive.

Paso 9C:
Para el 130S y el 150S:
Después de retirar el tubo de escape, desenrosca los dos tornillos Allen y retira la placa intermedia.
Observa el orden de desmontaje para asegurarte de que todo se vuelve a montar correctamente con los nuevos materiales del kit.
Limpia bien la superficie para la junta y el fuelle.
Instala la junta como estaba originalmente, sin invertirla.
No utilices Permatex ni productos similares.
Monta el fuelle con el código del año orientado hacia la junta del Saildrive.

Vuelve a montarlo todo. Presta mucha atención a cómo estaban colocadas originalmente la junta y las juntas tóricas y vuelve a instalarlas exactamente en la misma orientación, asegurándote de que no estén invertidas.

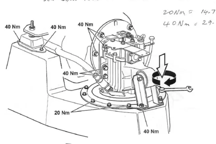
Este es el orden para apretar los tornillos:
En realidad es bastante sencillo: aprieta los tornillos desde dentro hacia fuera.

Si aún no has vuelto a instalar la placa Saildrive, hazlo ahora. Puedes colocarla fácilmente alrededor de la cola y volver a deslizarla en su sitio.

Vuelve a colocar el Saildrive en el orificio del que se extrajo. Asegúrate de que está bien alineado y bien colocado.

En la imagen, se muestra una configuración para ayudar a alinear los agujeros al reinstalar el Saildrive. Esto se debe a que con el Saildrive Volvo Penta puede ser complicado alinear los agujeros correctamente, lo que puede hacer que el fuelle se deslice.
Alternativamente, con dos personas, una puede colocarse debajo del barco para levantar y sujetar el Saildrive en su sitio, mientras la otra aprieta los tornillos.

Una vez que el Saildrive esté bien colocado, aplica un poco de grasa en el eje del Saildrive para garantizar un funcionamiento suave y evitar el desgaste.

Vuelve a colocar el motor en su posición. Gira el cigüeñal hacia delante y hacia atrás para asegurarte de que el Saildrive se alinea correctamente con las estrías de la placa amortiguadora. Esto puede requerir algo de paciencia.
Una vez alineados, aprieta bien todos los tornillos.

Reinstala todos los cables del cambio, los cables eléctricos, las mangueras de agua de refrigeración y las mangueras de escape. Asegúrate de que todo está bien conectado y correctamente alineado.

Reinstala el eje o sólo el tapón de vaciado.
Si has desmontado el eje, es aconsejable sustituir las juntas dentro y alrededor del alojamiento del cojinete. Inspecciona el eje en busca de desgaste, especialmente alrededor de las juntas, para asegurarte de que no hay signos de daños o desgaste excesivo.

¡Llena tu Saildrive con el aceite correcto! Asegúrate de utilizar el tipo y la cantidad adecuados, tal como se especifica en las directrices del fabricante, para garantizar un funcionamiento y una lubricación correctos.

Vuelve a instalar la pieza final de goma si la has quitado o si está en mal estado.
Enhorabuena, ¡has sustituido con éxito tu Saildrive de abajo!
Preguntas frecuentes:
¿Con qué frecuencia debe sustituirse el fuelle del Saildrive?
Se recomienda sustituirlo cada 7 años o después de unas 500 horas de funcionamiento, lo que ocurra primero.
¿Puedo sustituir el fuelle yo mismo?
Sí, con las herramientas y los conocimientos técnicos adecuados, puedes sustituirlo tú mismo. Sigue atentamente las instrucciones y procede con cautela.
¿Síntomas de un fuelle desgastado?
Agua en el compartimento del motor y posible corrosión alrededor del motor.
Para más información, consulta las directrices del fabricante.

Deja una respuesta